Описание
Двигатель дизельный Excalibur 188FA-T0 вал конусный 26/73.2/taper ТСС 025595 разработан для установки на мототехнику различного назначения. Подходит для установки на генераторы портативные.
Без бака топливного, глушителя, стартера ручного, стартера электрического. Фильтр воздушный в комплекте.
Характеристика:
Тип двигателя -дизельный
Тип - четырехтактный
Мощность (л.с.) - 12
Мощность (кВт) - 8,3
Объем двигателя, см³ - 456
Система запуска - ручная
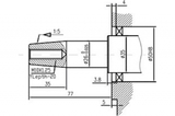
Габариты без упаковки, мм - 420х440х496
Ход поршня, мм - 75
Диаметр цилиндра, мм - 88
Расположение вала - горизонтальное
Max выходная мощность при 3600 об/мин, кВт - 8.3
Катушка освещения - нет
Наличие редуктора - нет
Длина вала, мм - 73,2
Наличие вариатора - нет
Для воздуходувок - нет
Для газонокосилок - нет
Для генераторов - да
Для измельчителей - нет
Для культиваторов- нет
Для минитракторов - нет
Для мотоблоков - нет
Для мотобуров - нет
Для мотопомп - нет
Для снегоуборщиков - нет
Для триммеров - нет
Для мотобуксировщиков- нет
Для вездеходов - нет
Модель двигателя - 188F
Тип вала двигателя - V-type
Объем картера, л -1,6
Вес нетто, кг -49
